2BV water ring vacuum pump
2BV2,2BV5, suitable for continuous operation, for vacuum formation, suitable for extraction of dry and wet gases, mainly non-flammable, non-corrosive atmosphere and atmosphere/steam mixture.
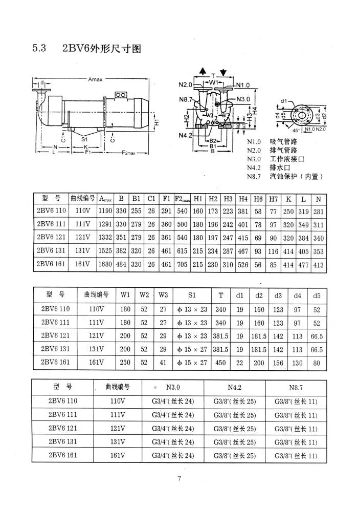
2BV6 is suitable for the extraction of flammable and explosive gases and flammable and explosive working environment. The working fluid is usually water. Stainless steel pump for corrosion and health requirements more stringent occasions.
2BV vacuum pump is used in rough vacuum range, the limit vacuum is determined by saturated vapor pressure of working fluid.









